Информация о доставки будет отображена для региона
Москва
Помощь покупателю

Мы ценим наших клиентов, и всегда готовы помочь. Вы всегда сможете найти ответы на интересующие вас вопросы.

Подробнее
Сертификаты

Мы строго контролируем весь процесс производства, от проектирования до выпуска готовой продукции. Каждый товар после изготовления проходит тестирование и сертификацию согласно ГОСТам.

Подробнее
Сроки

Гарантия доставки товара точно в срок. При нарушении сроков, мы вернем вам 0,1% от суммы покупки за каждый просроченный день.

Подробнее
Полезное

Краткое описание

Подробнее
8 (800) 301-40-66 8 (996) 702-88-66

Редуктор Ц3ВКФ-160

В наличии
79 950 руб.
Срок поставки — 3-7 дней
Гарантия 2 года
Укажие полное наименование и параметры товара
При покупке изделия важно указать его полное условное обозначение
Если вы не знаете полного наименования товара, офомите заказ и наш менеджер поможет вам подобрать необходимое
Условные обозначения
  • Описание
  • Характеристики
  • Габариты и присоединительные размеры

Редуктор вертикальный трехступенчатый цилиндрический типа Ц3ВКФ-160 предназначен для подъемно-транспортного оборудования. Устройство используется в качестве привода общего назначения.

В нашем интернет-магазине вы можете купить редуктор Ц3ВКФ-160 по выгодной цене. Оформить заказ можно как онлайн, воспользовавшись виртуальной корзиной, так и по телефонам. В комплект поставки входит редуктор в собранном виде и паспорт. Допускается поставка одного паспорта на партию редукторов в один адрес.

Вариант сборки17, 27, 37, 38
Высота236
Длина756
Категория размещения1, 2, 3, 4
Климатическое исполнениеУ, Т, УХЛ, О
Масса108
Номинальный крутящий момент на выходном валу1000
Передаточное отношение (число)10, 12.5, 16, 20, 25, 31.5, 40, 50, 63
СерияЦ3ВКФ
Типцилиндрический
Типоразмер (межосевое расстояние)160
Цена79950
Редуктор Ц3ВКФ-160
Редуктор Ц3ВКФ-160
Редуктор Ц3ВКФ-160
Редуктор Ц3ВКФ-160
Редуктор Ц3ВКФ-160
Редуктор Ц3ВКФ-160
Редуктор Ц3ВКФ-160
Редуктор Ц3ВКФ-160
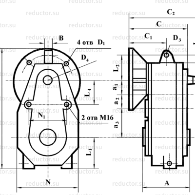
Типоразмер мотор-редуктора a1 a2 a3 A B C C1 C2 D1 D2 D3 D4 L L1 L2 L3 L4 N N1
мм
Ц3ВКФ-160 100 160 160 236 50 345 234 408 14 22 265 756 171 138 28 100 304 200
Вы искали

Редуктор Ц3ВКФ-160
79 950руб.
Редуктор Ц3ВКФ-160 О товаре

Редуктор вертикальный трехступенчатый цилиндрический типа Ц3ВКФ-160 предназначен для подъемно-транспортного оборудования. Устройство используется в качестве привода общего назначения.

В нашем интернет-магазине вы можете купить редуктор Ц3ВКФ-160 по выгодной цене. Оформить заказ можно как онлайн, воспользовавшись виртуальной корзиной, так и по телефонам. В комплект поставки входит редуктор в собранном виде и паспорт. Допускается поставка одного паспорта на партию редукторов в один адрес.

Клапан 25с945п
0руб.
Клапан 25с945п О товаре
Редуктор ЦОН-250-3-12
110 000руб.
Редуктор ЦОН-250-3-12 О товаре
Редуктор РМ-400-16-21
90 000руб.
Редуктор РМ-400-16-21 О товаре
Мотор-редуктор MRV-110
29 000руб.
Мотор-редуктор MRV-110 О товаре
Редуктор ЦДН 50-40-13
140 000руб.
Редуктор ЦДН 50-40-13 О товаре
Категория размещения — адаптированность механизма для использования в определенном месторасположении.
Категория 1 — эксплуатация на открытом воздухе.
Категория 2 — эксплуатация под навесом или в помещениях, где колебания влажности воздуха не сильно отличаются от колебаний на открытом воздухе.
Категория 3 — эксплуатация в помещениях со значительно меньшими колебаниями температуры и влажности, чем на открытом воздухе.
Категория 4 — эксплуатация в закрытых обогреваемых и вентилируемых помещениях.
Категория 5 — эксплуатация в помещениях с повышенной влажностью.

Расшифровка редуктора Ц3ВКФ-160

Редуктор Ц3ВКФ-160-31.5-37-У-3, где:

Ц3ВКФ — серия редуктора;

160 — межосевое расстояние, мм;

31.5 — передаточное отношение;

37 — вариант сборки;

У — климатическое исполнение;

3 — категория размещения.

Ознакомиться с условиями отсрочки
платежа вы можете позвонив нам по
телефону: 8 (800) 100-71-44.